Commercio all'ingrosso Scrubber chimico

  • Scrubber chimico

Scrubber chimico

Lo scrubber chimico è un filtro di lavaggio avanzato. Utilizza una struttura speciale e un'ampia superficie specifica di imballaggio regolare come imballaggio per trasferimento di massa e disidratazione. Allo stesso tempo, a seconda dei diversi componenti che causano odori nell'odore, l'acido, gli alcali e l'ossidante corrispondenti vengono utilizzati come liquido di lavaggio ad assorbimento per rimuovere l'odore nello spazio ed eliminare l'impatto sull'ambiente circostante.

Il flusso d'aria odoroso viene trasportato attraverso il condotto dell'aria ed entra nella torre dall'ingresso della torre. Dopo essere entrato nella torre, passa attraverso lo strato di imballaggio dal basso verso l'alto e infine viene scaricato dall'uscita della tubazione superiore della torre attraverso la ventola anticorrosione. La soluzione neutralizzante passa attraverso il separatore di liquido nella parte superiore della torre, spruzza uniformemente nello strato di riempimento, scorre lungo la superficie dello strato di riempimento finché non viene scaricata dal fondo della torre attraverso la tubazione e viene fatta circolare dalla pompa di circolazione anticorrosione. Man mano che la concentrazione di soluti nel flusso d'aria ascendente diventa sempre più bassa, la funzione di purificazione viene raggiunta quando raggiunge la sommità della torre e viene scaricata o continua a essere purificata nella fase successiva. Al contrario, la concentrazione del fluido nel liquido discendente diventa sempre più elevata e raggiunge le condizioni di processo quando raggiunge il fondo della torre e viene scaricato dalla torre.

Vantaggi della torre di imballaggio a spruzzo: ha un'elevata efficienza, una piccola capacità di trattenere i liquidi, un peso leggero e un funzionamento semplice, che consente ai lavoratori di iniziare immediatamente. Il riempitivo può essere selezionato in base alle condizioni di lavoro fornite dal cliente. Ne esistono molti tipi e generalmente vengono utilizzati anelli a sfera resistenti alla corrosione. Tuttavia, va notato che i materiali solidi sospesi possono intasare il riempitivo a causa del suo grande diametro delle particelle, quindi generalmente non è adatto al trattamento dei materiali solidi. Ad esempio, NH₃, HCl, H₂S, ossidi di azoto e gas di scarico organici generati dalle fabbriche possono essere trattati efficacemente con questa apparecchiatura.

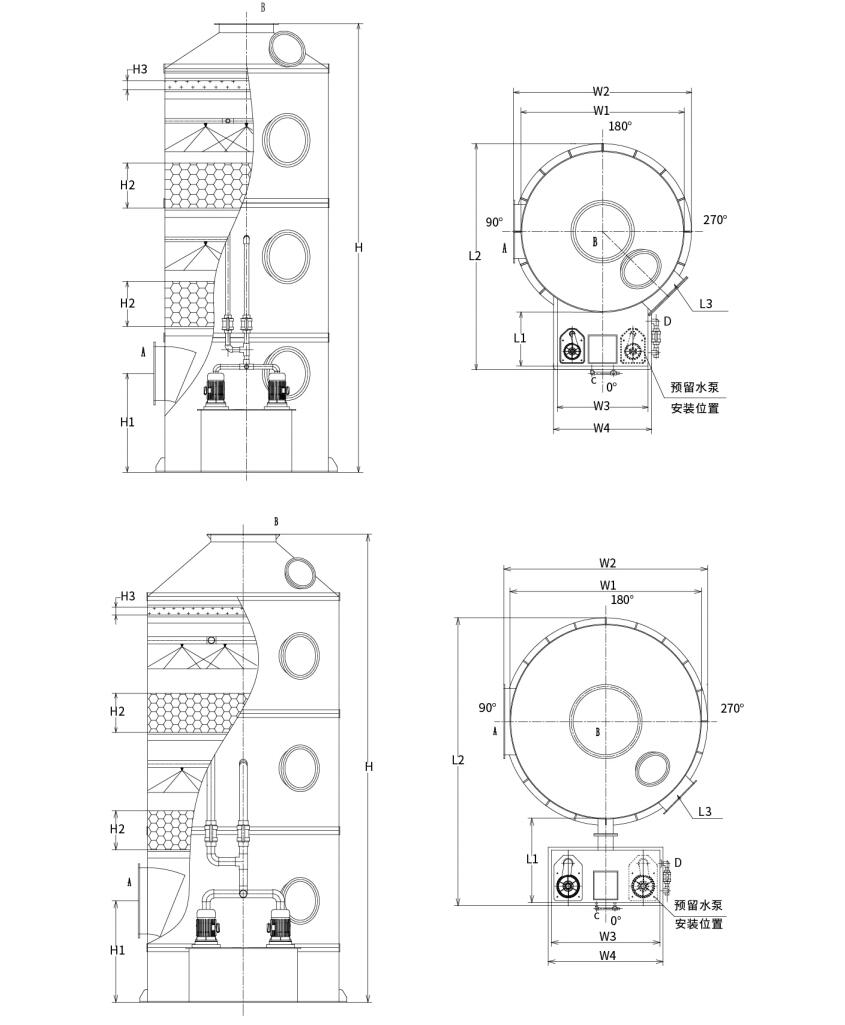
Struttura dello scrubber chimico:
Come mostrato in figura: Il sistema completo di spray scrubbing a pacco comprende i seguenti componenti:

1. Il corpo della torre è realizzato con fogli di PP (polipropilene);

2. Telaio supporto imballo realizzato con pannelli grigliati in PP;

3. Tubi di collegamento spray in UPVC;

4. Ugelli a spirale in PP;

5. Guarnizione a sfera cava o ad anello Pall;

6. Pompa di circolazione in PP resistente alla corrosione;

7. Strato antiappannante in rete;

8. Dispositivi manuali e automatici per il rifornimento dell'acqua;

9. Tubazioni di troppopieno e drenaggio;

10. Finestra di ispezione.

Selezione dello scrubber chimico:
Tabella dei parametri tecnici dello scrubber a spruzzo imballato

Per garantire comodità e sicurezza nel trasporto, gli scrubber spray imballati in PP sono divisi in due tipologie:

Tipo 1: Scrubber a spruzzo con serbatoio dell'acqua integrato (diametro della torre: Φ1000mm-Φ2200mm)

Tipo 2: Scrubber a spruzzo con serbatoio dell'acqua di tipo diviso (diametro della torre: Φ2500mm-Φ3500mm)


Specifiche del modello corrispondenti alla capacità del flusso d'aria:

Modello Volume d'aria Dimensioni del dispositivo Potenza della pompa dell'acqua Spessore di riempimento Velocità del vento Materiale dell'attrezzatura
LRTL-600 0-1500 m³/ora Φ600x3000 0,75 kW 500*2 1,48 m/s PP/304/Q235/FRP
LRTL-800 1501-2500 m³/ora Φ800x3000 0,75 kW 500*2 1,39 m/s PP/304/Q235/FRP
LRTL-1000 2501-4000 m³/ora Φ1000x5000 1,5 kW 500*2 1,42 m/s PP/304/Q235/FRP
LRTL-1200 4001-6000 m³/h Φ1200x5000 2,2 kW 500*2 1,48 m/s PP/304/Q235/FRP
LRTL-1500 6001-9500 m³/h Φ1500x5000 3,75 kW 500*2 1,5 m/s PP/304/Q235/FRP
LRTL-1800 9501-14000m³/h Φ1800x5000 5,5 kW 500*2 1,53 m/s PP/304/Q235/FRP
LRTL-2000 14001-17000m³/h Φ2000x6000 5,5 kW 500*2 1,5 m/s PP/304/Q235/FRP
LRTL-2200 17001-20000m³/ora Φ2200x6000 7,5 kW 500*2 1,46 m/s PP/304/Q235/FRP
LRTL-2500 20001-27000m³/h Φ2500x6000 7,5 kW 500*2 1,53 m/s PP/304/Q235/FRP
LRTL-2800 27001-33000m³/h Φ2800x6000 15 kW 500*2 1,49 m/s PP/304/Q235/FRP
LRTL-3000 33001-38000m³/h Φ3000x6800 15 kW 500*2 1,49 m/s PP/304/Q235/FRP
LRTL-3200 38001-44000m³/h Φ3200x6800 15 kW 500*2 1,52 m/s PP/304/Q235/FRP
LRTL-3500 44001-55000m³/h Φ3500x6800 15 kW 500*2 1,5 m/s PP/304/Q235/FRP

Nota: i design non standard possono essere personalizzati in base alle esigenze del cliente.

Schema di selezione:

Hangzhou Lvran Environmental Protection Group Co., Ltd.

  • 1000+

    Clienti delle unità di servizio

  • 2000+

    Casi di ingegneria nazionale

Hangzhou Lvran Environmental Protection Group Co., Ltd. è un fornitore completo di servizi di ingegneria per sistemi di trattamento dei gas di scarico e produttore di apparecchiature, che integra ricerca e sviluppo, servizi tecnici, progettazione, produzione, installazione tecnica e servizio post-vendita.

We are China Scrubber chimico Suppliers and Wholesale Scrubber chimico Exporter, Company. Il Gruppo è un'impresa nazionale ad alta tecnologia, un'impresa scientifica e tecnologica della provincia di Zhejiang, un centro regionale di ricerca e sviluppo e un'unità di credito con rating AAA. Detiene oltre 30 brevetti di modelli di utilità, numerosi brevetti di invenzione e diritti d'autore sul software. Il Gruppo ha collaborazioni di ricerca e sviluppo tecniche di lunga data con università e istituzioni nazionali, tra cui il "Centro di ricerca e sviluppo per l'innovazione ambientale" istituito con l'Università di scienza e tecnologia di Anhui e il "Centro di ricerca e sviluppo per l'energia al plasma e le nuove tecnologie ambientali" sviluppato congiuntamente con la Zhejiang Sci-Tech University. Il Gruppo ha stabilito la propria base di ricerca e sviluppo e di produzione per un'approfondita collaborazione tecnica. Il Gruppo possiede la tecnologia principale per il trattamento dei gas COV, possiede una qualifica contrattuale generale di livello 2 per la costruzione di lavori pubblici municipali, una licenza di produzione di sicurezza, una qualifica di progettazione speciale di Classe B per il controllo dell'inquinamento ambientale nella provincia di Zhejiang, qualifiche di servizio del lavoro non classificate e appalti specializzati per progetti speciali. Il Gruppo è certificato ISO9001 per la qualità internazionale, ISO14001 per la gestione ambientale e ISO45001 per la salute e sicurezza sul lavoro.

ONORE E CERTIFICATO

I seguenti riconoscimenti rappresentano la nostra genialità. Conquistiamo clienti con prodotti di alta qualità e otteniamo elogi dal mercato e da tutti i ceti sociali con buoni servizi.

  • Un'unità di base e un reattore a campo elettrico elevato del tipo a piastra per prevenire perdite lungo la superficie
  • Un dispositivo di reazione per sintetizzare metanolo utilizzando anidride carbonica e acqua e un metodo per sintetizzare metanolo utilizzando anidride carbonica e acqua
  • Precipitatore elettrostatico autopulente
  • Una ventola ad alta pressione resistente alla corrosione con funzione di regolazione della direzione del vento
  • Una ventola autopulente regolabile ad alta capacità
  • Sistema combinato di controllo del pretrattamento dei gas di scarico con gassificazione catalitica
  • Sistema di purificazione e trattamento dei gas di scarico in campo elettrostatico continuo con pulizia a vapore
  • Sistema di apparecchiature per la purificazione dei gas di scarico con fotolisi UV al plasma a bassa temperatura
  • Certificato di registrazione del marchio
Notizie ed eventi recenti
Condividi con te
Visualizza altre notizie