Commercio all'ingrosso Scrubber a umido con piastra ciclonica

  • Scrubber a umido con piastra ciclonica

Scrubber a umido con piastra ciclonica

La torre di lavaggio a ciclone è tipicamente caratterizzata da un corpo cilindrico dotato di deflettori a spirale. Durante il funzionamento i fumi entrano tangenzialmente dal fondo della torre e defluiscono verso l'alto. Guidato dalle lame dei deflettori, il gas si muove a spirale verso l'alto, atomizzando in fini goccioline il liquido che scorre lungo le piastre. Ciò crea un'ampia area di contatto gas-liquido. Le goccioline vengono trasportate dal flusso di gas e ruotano, generando una forza centrifuga che migliora l'interazione gas-liquido. Alla fine, le goccioline vengono lanciate sulla parete della torre, scorrono verso il basso lungo la parete fino al successivo deflettore e vengono riatomizzate dal flusso di gas per un ulteriore contatto. Come descritto, il liquido raggiunge un contatto completo con il gas mantenendo una separazione efficace, riducendo al minimo il trascinamento della nebbia. La capacità di carico gas-liquido di questo sistema è più del doppio di quella dei deflettori convenzionali.

Le eccellenti condizioni di contatto gas-liquido della torre garantiscono un efficiente assorbimento dei gas di scarico da parte dei liquidi alcalini. Inoltre, la torre di lavaggio a ciclone dimostra prestazioni di rimozione della polvere superiori. Le particelle di polvere nel gas vengono catturate dalla nebbia d'acqua sui deflettori a spirale e anche le particelle e le goccioline lanciate sulla parete della torre dalla forza centrifuga vengono rimosse efficacemente. Di conseguenza, il gas in uscita dalla torre trasporta una quantità minima di polvere e goccioline. La velocità del vento della torre vuota varia tra 2,2 e 2,7 m/s.

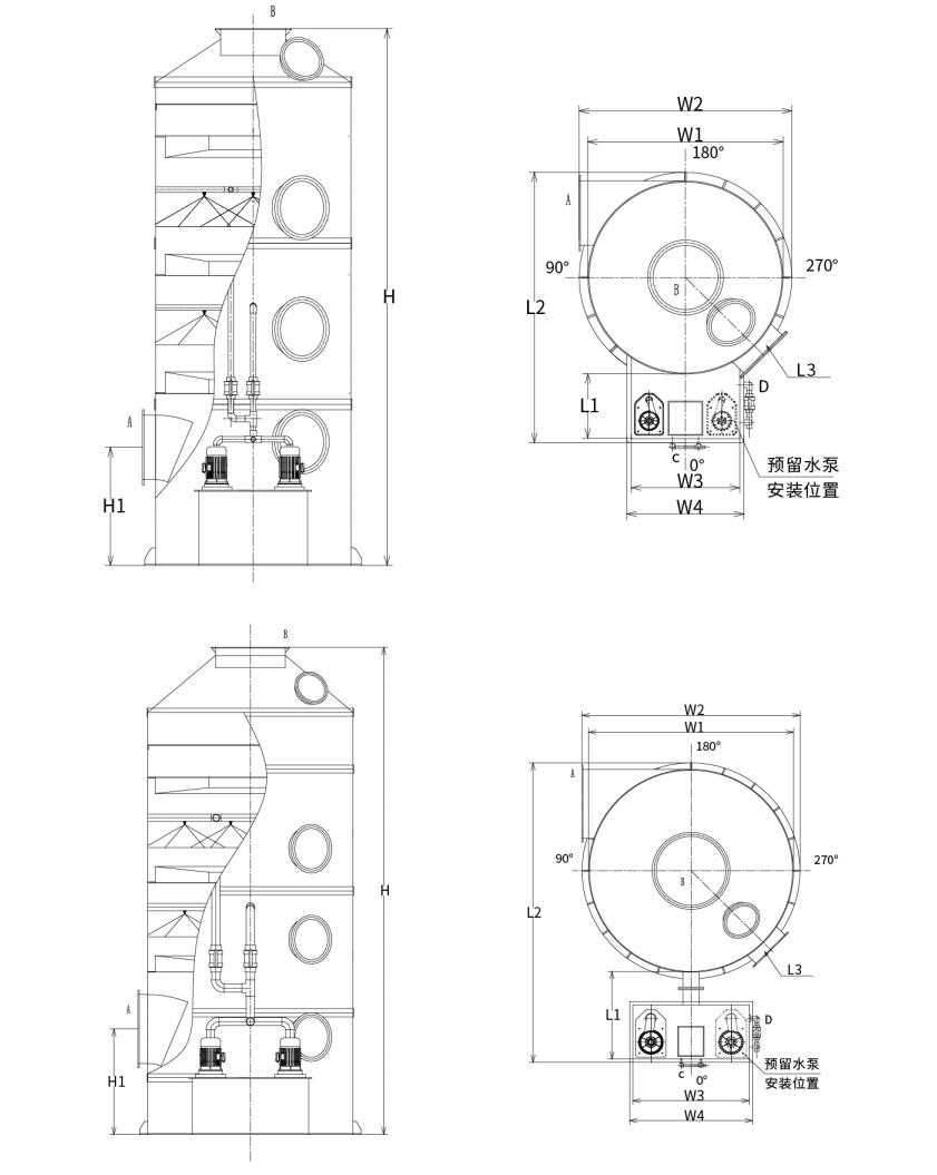
Struttura della torre di spruzzatura a turbinio:
Come mostrato in figura: Il sistema completo di spray scrubbing a pacco comprende i seguenti componenti:

● Corpo torre in fogli di PP (polipropilene);

● Telaio costruito con deflettori a spirale in PP;

● Tubi di collegamento spray in UPVC (cloruro di polivinile non plastificato);

● Ugelli a spirale in PP;

● Pompa di circolazione in PP resistente alla corrosione;

● Strato antiappannamento (tipo rete/ciclone/deflettore);

● Dispositivi manuali e automatici per il rifornimento dell'acqua;

● Tubazioni di troppopieno e drenaggio;

● Finestra di ispezione.

Parametri di selezione della torre della piastra ciclonica:
Per garantire comodità e sicurezza nel trasporto, le torri di lavaggio a ciclone in PP sono divise in due categorie di specifiche:

Tipo 1: Scrubber ciclonico con serbatoio dell'acqua integrato (diametro della torre: Φ1000mm-Φ2200mm)

Tipo 2: Scrubber ciclonico con serbatoio dell'acqua di tipo diviso (diametro della torre: Φ2500mm-Φ3500mm)


Modelloli di torri di lavaggio a ciclone corrispondenti alla capacità del flusso d'aria:

Model Intervallo del volume dell'aria Dimensioni del dispositivo Potenza della pompa dell'acqua Numero di pale turbolente Intervallo di velocità del vento Materiale dell'attrezzatura
XL-600 0-2800 m³/ora Φ600×2950 0,75 kW 2 0-2,76 m/s PP/304/Q235/FRP
XL-800 3800-5000 m³/ora Φ800×3300 0,75 kW 2 2,11-2,77 m/s PP/304/Q235/FRP
XL-1000 6000-7500 m³/ora Φ1000×4380 1,5 kW 2 2,13-2,66 m/s PP/304/Q235/FRP
XL-1200 8500-11000 m³/ora Φ1200×4430 2,2 kW 2 2,09-2,71 m/s PP/304/Q235/FRP
XL-1500 14.000-17.000 m³/ora Φ1500×5000 3,75 kW 2 2,2-2,68 m/s PP/304/Q235/FRP
XL-1800 20.000-25.000 m³/ora Φ1800×5650 5,5 kW 2 2,19-2,73 m/s PP/304/Q235/FRP
XL-2000 25001-30000m³/h Φ2000×6200 5,5 kW 2 2,21-2,66 m/s PP/304/Q235/FRP
XL-2200 30001-37000m³/ora Φ2200×6700 7,5 kW 2 2,19-2,71 m/s PP/304/Q235/FRP
XL-2500 40000-47000m³/ora Φ2500×6850 7,5 kW 2 2,27-2,66 m/s PP/304/Q235/FRP
XL-2800 49000-58000m³/ora Φ2800×7900 11 kW 2 2,21-2,62 m/s PP/304/Q235/FRP
XL-3000 58000-68000m³/ora Φ3000×8000 11 kW 2 2,28-2,67 m/s PP/304/Q235/FRP
XL-3200 68000-78000m³/ora Φ3200×8000 15 kW 2 2,35-2,7 m/s PP/304/Q235/FRP
XL-3500 78000-88000m³/ora Φ3500×8000 15 kW 2 2,25-2,54 m/s PP/304/Q235/FRP

Nota: è possibile realizzare progetti non standard in base alle esigenze del cliente.

Schema di selezione:

Hangzhou Lvran Environmental Protection Group Co., Ltd.

  • 1000+

    Clienti delle unità di servizio

  • 2000+

    Casi di ingegneria nazionale

Hangzhou Lvran Environmental Protection Group Co., Ltd. è un fornitore completo di servizi di ingegneria per sistemi di trattamento dei gas di scarico e produttore di apparecchiature, che integra ricerca e sviluppo, servizi tecnici, progettazione, produzione, installazione tecnica e servizio post-vendita.

We are China Scrubber a umido con piastra ciclonica Suppliers and Wholesale Scrubber a umido con piastra ciclonica Exporter, Company. Il Gruppo è un'impresa nazionale ad alta tecnologia, un'impresa scientifica e tecnologica della provincia di Zhejiang, un centro regionale di ricerca e sviluppo e un'unità di credito con rating AAA. Detiene oltre 30 brevetti di modelli di utilità, numerosi brevetti di invenzione e diritti d'autore sul software. Il Gruppo ha collaborazioni di ricerca e sviluppo tecniche di lunga data con università e istituzioni nazionali, tra cui il "Centro di ricerca e sviluppo per l'innovazione ambientale" istituito con l'Università di scienza e tecnologia di Anhui e il "Centro di ricerca e sviluppo per l'energia al plasma e le nuove tecnologie ambientali" sviluppato congiuntamente con la Zhejiang Sci-Tech University. Il Gruppo ha stabilito la propria base di ricerca e sviluppo e di produzione per un'approfondita collaborazione tecnica. Il Gruppo possiede la tecnologia principale per il trattamento dei gas COV, possiede una qualifica contrattuale generale di livello 2 per la costruzione di lavori pubblici municipali, una licenza di produzione di sicurezza, una qualifica di progettazione speciale di Classe B per il controllo dell'inquinamento ambientale nella provincia di Zhejiang, qualifiche di servizio del lavoro non classificate e appalti specializzati per progetti speciali. Il Gruppo è certificato ISO9001 per la qualità internazionale, ISO14001 per la gestione ambientale e ISO45001 per la salute e sicurezza sul lavoro.

ONORE E CERTIFICATO

I seguenti riconoscimenti rappresentano la nostra genialità. Conquistiamo clienti con prodotti di alta qualità e otteniamo elogi dal mercato e da tutti i ceti sociali con buoni servizi.

  • Un'unità di base e un reattore a campo elettrico elevato del tipo a piastra per prevenire perdite lungo la superficie
  • Un dispositivo di reazione per sintetizzare metanolo utilizzando anidride carbonica e acqua e un metodo per sintetizzare metanolo utilizzando anidride carbonica e acqua
  • Precipitatore elettrostatico autopulente
  • Una ventola ad alta pressione resistente alla corrosione con funzione di regolazione della direzione del vento
  • Una ventola autopulente regolabile ad alta capacità
  • Sistema combinato di controllo del pretrattamento dei gas di scarico con gassificazione catalitica
  • Sistema di purificazione e trattamento dei gas di scarico in campo elettrostatico continuo con pulizia a vapore
  • Sistema di apparecchiature per la purificazione dei gas di scarico con fotolisi UV al plasma a bassa temperatura
  • Certificato di registrazione del marchio
Notizie ed eventi recenti
Condividi con te
Visualizza altre notizie