Commercio all'ingrosso Torre di spruzzatura in acciaio inossidabile 316L

  • Torre di spruzzatura in acciaio inossidabile 316L
  • Torre di spruzzatura in acciaio inossidabile 316L
  • Torre di spruzzatura in acciaio inossidabile 316L
  • Torre di spruzzatura in acciaio inossidabile 316L
  • Torre di spruzzatura in acciaio inossidabile 316L
  • Torre di spruzzatura in acciaio inossidabile 316L

Torre di spruzzatura in acciaio inossidabile 316L

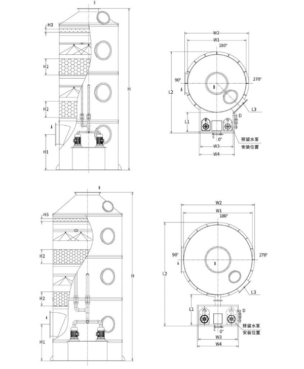
Principio di funzionamento della torre di spruzzatura in acciaio inossidabile 316L e ambiente di gas applicabile

I. Principio operativo (uguale al processo PP/PPH Tower, ma materiali e condizioni operative diversi)
1. Il gas di scarico entra tangenzialmente nella torre, risalendo attraverso la sezione di equalizzazione fino alla sezione di imballaggio/spruzzatura;
2. Gli ugelli 316L nella parte superiore della torre atomizzano NaOH, H₂SO₄ o altre soluzioni chimiche in goccioline, che entrano in contatto controcorrente con il gas;
3. Sulla superficie dell'anello Pall 316L o della baderna ad anello a gradini si forma una pellicola liquida che rimuove gli inquinanti attraverso reazioni di assorbimento, dissoluzione, neutralizzazione o redox;
4. Il gas purificato contenente goccioline continua attraverso una rete metallica 316L o un deflettore antiappannante, dove viene disidratato e scaricato a condizioni standard;
5. Il liquido di scarto viene raccolto in un serbatoio di circolazione da 316 litri sul fondo della torre. Dopo il dosaggio e la filtrazione automatici, viene riciclato da una pompa da 316 litri finché non soddisfa gli standard di scarico o viene affidato all'esterno per il trattamento.

2. Vantaggi del materiale 316L
• Contiene il 23% di Mo, offrendo oltre il 30% di resistenza in più alla vaiolatura di Cl⁻ e alla corrosione interstiziale rispetto al 304;
• Può resistere all'uso a lungo termine in gas di scarico ad alta temperatura tra 80 e 150°C senza deformazioni o invecchiamento;
• Elevata resistenza meccanica, in grado di sopportare fluttuazioni di pressione superiori a ±5 kPa, che lo rendono adatto a sistemi a tiraggio indotto ad alta pressione.

III. Tipici ambienti con gas applicabili
| Industria | Esempi di mezzi gassosi | Caratteristiche |
| Chimico/Farmaceutico | HCl, Cl₂, SO₂, HF, H₂S | Alta concentrazione, altamente corrosivo, contenente alogeni |
| Galvanotecnica/Decapaggio | Nebbia di acido cromico, acido cianidrico, nebbia di acido nitrico | Contiene ioni di metalli pesanti, altamente ossidanti |
| Incenerimento dei rifiuti | HCl SO₂ Miscela di gas HF, precursori di diossina | Alta temperatura, alta umidità, composizione complessa |
| Metallurgia/Elettronica | NOₓ, ammoniaca, silano, fosfina | Polveri contenenti fluoro e contenenti silicio, acidi e alcali forti |
| Laboratorio | Gas di scarico misti acido-base, vapori di solventi organici | Grandi fluttuazioni di concentrazione, emissioni intermittenti |

IV. Confronto con la selezione della torre PP/PPH
• Temperatura > 60°C o contenente fluoro o ioni cloruro elevati → Selezionare 316L;
• Contenente acido fluoridrico o acido solforico concentrato ad alta temperatura → Aggiornamento a 904L o Hastelloy;
• Per progetti con acidi deboli e alcali a temperatura ambiente o sensibili ai costi, scegliere PP/PPH.

La torre di spruzzatura in acciaio inossidabile 316L utilizza un meccanismo di trasferimento di massa del riempimento di spruzzatura in controcorrente, mantenendo un'efficienza di purificazione ≥95% e una durata di servizio di oltre dieci anni anche in scenari di gas di scarico ad alta temperatura, ad alto contenuto di cloruro, altamente ossidanti o altamente riducenti. È la scelta preferita per il trattamento dei gas di scarico corrosivi in ​​settori quali quello chimico, galvanico e dell'incenerimento dei rifiuti.

Selezione dello scrubber chimico
Tabella Specifiche Tecniche Scrubber a spruzzo a pacco
Per comodità e sicurezza nel trasporto, gli scrubber spray confezionati in PP sono classificati in due tipi:
Tipo 1: Scrubber a spruzzo con serbatoio integrato (diametro della torre: Φ1000 mm–Φ2200 mm)
Tipo 2: Scrubber a spruzzo con serbatoio dell'acqua di tipo diviso (diametro della torre: Φ2500mm–Φ3500mm)
Modelloli corrispondenti di capacità del flusso d'aria per torri impaccate:

Model Capacità del flusso d'aria (m³/h) Dimensioni dell'attrezzatura Potenza della pompa Spessore dell'imballaggio Velocità del vento Materiale dell'attrezzatura
LRTL-600 0 - 1500 m³/ora Φ600×3000 0,75 kW 500*2 1,48 m/s PP/304/Q235/FRP
LRTL-800 1501 - 2500 m³/h Φ800×3000 0,75 kW 500*2 1,39 m/s PP/304/Q235/FRP
LRTL-1000 2501 - 4000m³/h Φ1000×5000 1,5 kW 500*2 1,42 m/s PP/304/Q235/FRP
LRTL-1200 4001 - 6000 m³/h Φ1200×5000 2,2 kW 500*2 1,48 m/s PP/304/Q235/FRP
LRTL-1500 6001 - 9500 m³/h Φ1500×5000 3,75 kW 500*2 1,5 m/s PP/304/Q235/FRP
LRTL-1800 9501 - 14000m³/ora Φ1800×5000 5,5 kW 500*2 1,53 m/s PP/304/Q235/FRP
LRTL-2000 14001 - 17000 m³/ora Φ2000×6000 5,5 kW 500*2 1,5 m/s PP/304/Q235/FRP
LRTL-2200 17001 - 20000m³/h Φ2200×6000 7,5 kW 500*2 1,46 m/s PP/304/Q235/FRP
LRTL-2500 20001 - 27000m³/h Φ2500×6000 7,5 kW 500*2 1,53 m/s PP/304/Q235/FRP
LRTL-2800 27001 - 33000m³/ora Φ2800×6000 15 kW 500*2 1,49 m/s PP/304/Q235/FRP
LRTL-3000 33001 - 38000 m³/h Φ3000×6800 15 kW 500*2 1,49 m/s PP/304/Q235/FRP
LRTL-3200 38001 - 44000m³/h Φ3200×6800 15 kW 500*2 1,52 m/s PP/304/Q235/FRP
LRTL-3500 44001 - 55000 m³/h Φ3500×6800 15 kW 500*2 1,5 m/s PP/304/Q235/FRP

Nota: i progetti personalizzati possono essere forniti su richiesta del cliente.

Diagramma di selezione:

Hangzhou Lvran Environmental Protection Group Co., Ltd.

  • 1000+

    Clienti delle unità di servizio

  • 2000+

    Casi di ingegneria nazionale

Hangzhou Lvran Environmental Protection Group Co., Ltd. è un fornitore completo di servizi di ingegneria per sistemi di trattamento dei gas di scarico e produttore di apparecchiature, che integra ricerca e sviluppo, servizi tecnici, progettazione, produzione, installazione tecnica e servizio post-vendita.

We are China Torre di spruzzatura in acciaio inossidabile 316L Suppliers and Wholesale Torre di spruzzatura in acciaio inossidabile 316L Exporter, Company. Il Gruppo è un'impresa nazionale ad alta tecnologia, un'impresa scientifica e tecnologica della provincia di Zhejiang, un centro regionale di ricerca e sviluppo e un'unità di credito con rating AAA. Detiene oltre 30 brevetti di modelli di utilità, numerosi brevetti di invenzione e diritti d'autore sul software. Il Gruppo ha collaborazioni di ricerca e sviluppo tecniche di lunga data con università e istituzioni nazionali, tra cui il "Centro di ricerca e sviluppo per l'innovazione ambientale" istituito con l'Università di scienza e tecnologia di Anhui e il "Centro di ricerca e sviluppo per l'energia al plasma e le nuove tecnologie ambientali" sviluppato congiuntamente con la Zhejiang Sci-Tech University. Il Gruppo ha stabilito la propria base di ricerca e sviluppo e di produzione per un'approfondita collaborazione tecnica. Il Gruppo possiede la tecnologia principale per il trattamento dei gas COV, possiede una qualifica contrattuale generale di livello 2 per la costruzione di lavori pubblici municipali, una licenza di produzione di sicurezza, una qualifica di progettazione speciale di Classe B per il controllo dell'inquinamento ambientale nella provincia di Zhejiang, qualifiche di servizio del lavoro non classificate e appalti specializzati per progetti speciali. Il Gruppo è certificato ISO9001 per la qualità internazionale, ISO14001 per la gestione ambientale e ISO45001 per la salute e sicurezza sul lavoro.

ONORE E CERTIFICATO

I seguenti riconoscimenti rappresentano la nostra genialità. Conquistiamo clienti con prodotti di alta qualità e otteniamo elogi dal mercato e da tutti i ceti sociali con buoni servizi.

  • Un'unità di base e un reattore a campo elettrico elevato del tipo a piastra per prevenire perdite lungo la superficie
  • Un dispositivo di reazione per sintetizzare metanolo utilizzando anidride carbonica e acqua e un metodo per sintetizzare metanolo utilizzando anidride carbonica e acqua
  • Precipitatore elettrostatico autopulente
  • Una ventola ad alta pressione resistente alla corrosione con funzione di regolazione della direzione del vento
  • Una ventola autopulente regolabile ad alta capacità
  • Sistema combinato di controllo del pretrattamento dei gas di scarico con gassificazione catalitica
  • Sistema di purificazione e trattamento dei gas di scarico in campo elettrostatico continuo con pulizia a vapore
  • Sistema di apparecchiature per la purificazione dei gas di scarico con fotolisi UV al plasma a bassa temperatura
  • Certificato di registrazione del marchio
Notizie ed eventi recenti
Condividi con te
Visualizza altre notizie